摘 要:大口径自来水流量计通常运用在源水计量和出厂水计量两个方面,其中,源水计量是水厂当中供水计量的起点环节。水厂里的源水通常都是通过源水管理经过加压将源水输送到水厂内的沉淀池内,用于计量源水的流量计将会被安装在源水输水管线的各个环节之上。本文将对大口径自来水流量计的安装与管理进行全面的分析,希望本文对相关技术人员有所帮助。
前 言
水厂运转质量的评价指标住主要有两个方面,即:出厂水计量数据和源水计量数据。通过评价比较水厂的出厂水计量和供水营业资费,能够对水厂的管理和运转进行全面的分析评定,进而得出出厂水计量供水的关键要素。
1 大口径自来水流量计安全问题全面分析
随着科学技术的进一步发展,电磁流量计和超声流量计逐渐取代了传统的供水计量设备,现已成为了当前*为主流的供水计量设备。两种不同技术的流量设备都具有内部无可动件、压损为零的设备优势,因此得到了广大水厂单位的青睐。
但是,到底选择哪种计量设备,还需要根据水厂的实际综合条件来取代,其选择对比方式请见表 1:

针对大口径供水计量设备的特点,笔者通过全面比较,推荐的流量计选型安装方案为:将两种不同技术特点自来水流量计串联安装在同一供水线路的相同位置,让这两台计量设备互相监督管理,也正是由于这两台计量设备的测流原理不一样,因此在进行同时测试时不会互相受到影响,进而能对*终检测结果进行全面的分析研究。所以使用电磁计量设备和超声计量设备进行串联安装是*佳的安装方案。
当自来水流量计设备被*终选定之后,随后的工作就是将其安装到位并对其进行全面的管理。一般情况下,大口径供水计量装置的安装都是“一装定终身”的,也就是说一旦将其安装到位,若有失误那么损失将是多方面、大面积的,对水厂的经济框架也将形成一定的冲击效应。笔者经过实践工作和分析相关文献资料发现,流量计安装过程中*为常见的问题就是:在设计安装位置时,设计人员将流量计说明书中的前后直管段要求当成是安装的“标准要求”,把一些原本可以更好安装的流量计勉强安装在了一些测量较差的位置之上。
无论是电磁流量计还是超声流量计均属于速度型流量装置,速度型流量装置的技术基础就是假设被测试流体的流动速度状态是处于紊流状态之下,进而按照被测流体在紊流状态之下的分布曲线数据换算出被测流体的平均流速,然后再乘以管道的流通面*终得出流体的标准流量数据。如果流体在经过流量计时整体流场很不稳定,那么流体的当前分布和在紊流状态下的流速分布曲线数据将会大不一样,所以计量设备的流量值测定则会出现一定的偏移。这也就是速度型流量计对前后直管有着一定的长度要求。
技术人员在安装流量计时,都需要准确得到计量设备对前后直管的详细长度长度要求,而目前多数流量计生产厂家都注意到了这一点,进而满足了这方面的要求,在流量计的出场说明书上强调了流量计对前后直管的长度。
笔者在这里假设一个流量计安装场景,进而对流量计的安全进行一个多角度的分析了解:在一个供水管道之上,如果在流量计前后安装一个阀门,当流体流经阀门时会对整个流场产生一定的影响,那么阀门与流量计之间的合理安全距离是多少呢?众所周知:不同型号、不同管型对流场影响程度都是不一样的;就算是确定了阀门类型,阀门的开度不一样对流场的影响程度也大不相同。因此则可以得出这样的结论:在安装速度型流量计时,对前后直管的要求不应该是定值,而是应该在条件允许的情况之下直管长度越长越好。若只是更加流量计安装说明书上对直管的实际要求,那么通常情况下直管的长度都是不达标的。我国的《超声流量计》和《超声计量测定天然气流量》均指出:大口径的流量测定计算应该根据直管长度和流体自身阻流形式来进行确定,然后前后直管的长度应该保持在五倍管道直径以上是*佳的。但是在实际测量过程中,应该重点分析流量计前后阻流件的型号和管道流体分布的实际状态。在这里我们应该注重的一点是:流量计前后直管的长度应该在允许范围内越长越好。


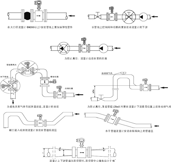
3、流量计在管线上的安装要求

4、流量计安装时注意事项
a、安装尺寸一定要计算准确,否则容易泄露或安装不上。
b、流体流向必须与传感器表面上的流向箭头保持一致。
c、流量计的电极轴线必须近似水平,否则影响测量精度。
d、传感器两边的法兰必须保持平行否则容易泄露。
e、为了避免在安装后形成旋涡流动,应保证工艺配管、密封件、流量计同轴连接不能错开。
f、安装流量计时,严禁在紧靠流量计法兰处电焊施工,以免烧伤流量计衬里。
g、对不同性质的工艺管道,应采用相应的接地方式(见传感器接地)。
h、对于腐蚀性介质,zui好应垂直安装,被测介质自下往上流动,这样可以避免固体颗粒在流量计管道中沉积,使衬里腐蚀均匀,延长使用寿命。
i、对于测量管口径大于200mm,为了方便,可采用伸缩头。
2 大口径自来水流量计的管理问题探析
除了上述一些安装过程中的客观影响因素,一些人为或者是管理上的问题也应该得到我们的重视,下列一些人为管理问题就是笔者经过实践工作和分析相关文献资料总结得出的:
(1)流量计内部的转换器计算系数与出场矫正的数据出现了差异。
(2)电磁流量计和超声流量计均需要配置不间断电源,但是在实际当中均会出现断电停测的情况,进而影响到整体测量数据的不稳定性。
(3)采用开放式安装,进而让流量计出现测量失稳和误动的可能性增大。
(4)对于流量计数据的管理存在漏洞,一些原始数据无法被查阅,进而出现前后数据分析脱节的问题。
(5)流量计检测数据没有定期送检或检验数据的标准值,导致示值出现偏移现象。
(6)仪表井出现渗水问题,进而导致流量计中的传感器在长期受到侵泡后失灵。
(7)流量计的安装高于管线的计量高点,流体气泡聚集形成不满管现象,导致流量计无法充分完成测量工作。
(8)受到外界磁场的干扰,如水泵设备、高压线路等,进而对测量数据造成干扰。
(9)外夹式超声流量计中的转换器由于震动或是人为操作的方式导致出现位移。
(10)电磁流量计内部的污垢积累较为严重,从而导致计量设备仪表出现失准问题。
从而可见,水厂单位为了促进自身的发展,做好源水数据分析和出厂水计量工作,对其进行装表计量只是做好了*个阶段的工作,想要做好全面的供水计量,就必须在后续的时间内定期开展检修巡线、按期溯源,进而让流量计能够正常温度的运转。其中安全溯源就是保障流量计计量准确性的关键工作。
把供水管道上的流量计拆卸下来送检是*能保障流量计溯源质量的方式,但是对于大口径的供水管道来说,将流量计拆卸下来送检是更不就不可能的,就算条件允许能够送检,那么水厂将会产生较大的经济损失,再加上供水行业的特殊性,一些流量计安装在极为复杂的环境当中,想要将其拆卸送检 99%是不可能的。
相对于其他型号的流量计,外夹式超声流量计的拆卸和安装就比较方便,若安装环境不复杂,则多数情况下都是可以送检的,但是在送检时极容易出现一个问题:那么就是无法进行配套送检。有些水厂单位在现场配套的时大口径的换能器,但是送检时则选择的是小口径的换能器,因此送检结果是不能充分验证实际口径的流量数据的。因此,在送检过程中应该特别注重主机与现场转换器之间的配套送检,并检验送检管径与实际管径是否一致。
电磁流量计的送检机会是非常低的,大多数工作人员都是采用在线校准的方式来对大口径的电磁流量计进行量值溯源处理。笔者认为*为可靠的方式就是使用外夹式超声流量计对其进行定点量传。但是还有部分工作人员对该技术保持怀疑态度,其理由是:外夹式超声流量计的准确通常低于电磁流量计,只有同一等级的流量计,不然的话定点量传的准确度不能得到保障。
在这里我们其实可以参考长度计量的量传原则:卡尺和卷尺都属于精密的长度计量器具,但是两者之间要如何校准呢?不是使用比两种计量器具更加*的器具,而是使用一组简单可靠、稳定性高的“量体”。众所周知,流量计的准确度就是指全部量程都必须充分满足*大误差值,如果确定一个高度的流量点,那么流量计的准确度就将提高一个等级。因此,在实际计量过程中必须先确定一个计量工作点。另外,想要做好大口径供水计量电磁流量计的在线校准工作,还应该做好以下三方面的工作:
(1)咨询或邀请有经验的计量技术人员,对管线现场进行实地勘察。
(2)聘请第三方计量检定人员到场,开展联合在线校准工作。
(3)确保标准流量计在*近时间段内的有效性和标准性。
3 结束语
总而言之,只有做好大口径自来水流量计的安全和后期管理工作,才能够进一步提高水厂工作的质量,为水厂后续的经营发展打下坚持的工作基础,促进供水行业的进一步高速发展。

污泥流量计
硫酸流量计
扫一扫关注我们